
Knowledge Base
Our Knowledge Base section provides in-depth guides on metering related topics, and can aid you in the process of buying the right product.
Find out more£33.00
£39.60 inc. VAT
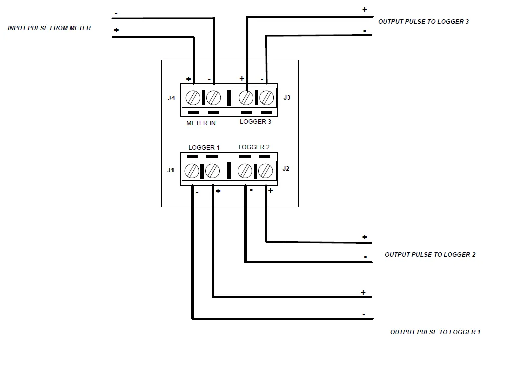
PPS3 Pulse-Splitter allows users to split 1 Pulse input into 3 Pulse outputs while only requiring a 24V DC pulse input (connections made via screw terminals). Pulse current must not exceed 40mA.
Inputs | 1 |
---|---|
Outputs | 3 |
Maximum working voltage | 24V DC |
Current | 40mA Maximum |
Signal voltage drop | 1.4V |
Input channel isolation | 75V max |
Connection | Screw terminals |
Our Knowledge Base section provides in-depth guides on metering related topics, and can aid you in the process of buying the right product.
Find out moreOur in-house product experts are at hand to help you find the right products and solutions for your projects.
01423 340 000 Start live chat